Swivel Stainless Steel Chain-Anchor Connector - 8/12mm
202500
Nautical marketplace, yacht charter agency, equipment supplier, new yachts sales, brok...
+37253060890
Ask a question
Contact
Taxes
The price provided is NET-price, meaning shipment and VAT are not included. Additional duties and tax payments might be required. Taxes and delivery costs are calculated after ordering the goods and depend on the type of client and delivery address.
Delivery
Returns
BrandKONG
Shipping fromItaly
Crafted from premium AISI 316 stainless steel, the anchor connector boasts a swivel design. As the anchor smoothly slides through the ferrule, there's no risk of damage to the sheaving. Moreover, the anchor automatically straightens and aligns itself on the board. Thanks to its unique design, the chain remains untwisted while holding steadfastly on the seabed.
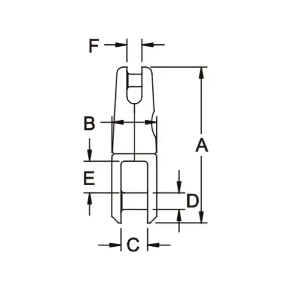
A, mm
117
B, mm
37
Breaking load, kg
2000
C, mm
22
Chain diameter, mm
8-12
D, mm
13
E, mm
23
F, mm
13
Working load, kg
5000
Brand
KONG
EAN
8023577005614
Dimensions in packaging
Weight, kg
0.67
Height, mm
39.0
Width, mm
40.0
Length, mm
124.0
Volume, cm3
0.19
Unit type
N
Additional Information
MPN
644100000KK
Youtube video reviews
No reviews found
Please sign in so that we can notify you about a reply
