UC293-I Inboard Cylinder
4344293
Nautical marketplace, yacht charter agency, equipment supplier, new yachts sales, brok...
+37253060890
Ask a question
Contact
Taxes
The price provided is NET-price, meaning shipment and VAT are not included. Additional duties and tax payments might be required. Taxes and delivery costs are calculated after ordering the goods and depend on the type of client and delivery address.
Delivery
Returns
BrandULTRAFLEX
Shipping fromItaly
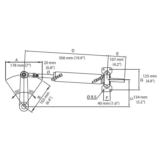
Symmetrically designed brass cylinder featuring balanced lock-to-lock turns, ensuring equal responsiveness in both port and starboard directions.
Connection
3/8"
Inner diameter, mm
50
Max. torque, kgm
146.5
Output force, kg
1155
Shaft diameter, mm
20
Volume, cc
293
Brand
ULTRAFLEX
EAN
8031164402463
Model
UC293
Dimensions in packaging
Weight, kg
6.9
Height, mm
95.0
Width, mm
160.0
Length, mm
680.0
Volume, cm3
10.34
Unit type
N
Additional Information
MPN
40246L
No reviews found
Please sign in so that we can notify you about a reply
