Rail Ratchet Antenna Base
5555205
Nautical marketplace, yacht charter agency, equipment supplier, new yachts sales, brok...
+37253060890
Ask a question
Contact
Taxes
The price provided is NET-price, meaning shipment and VAT are not included. Additional duties and tax payments might be required. Taxes and delivery costs are calculated after ordering the goods and depend on the type of client and delivery address.
Delivery
Returns
BrandMarine Town
Shipping fromItaly
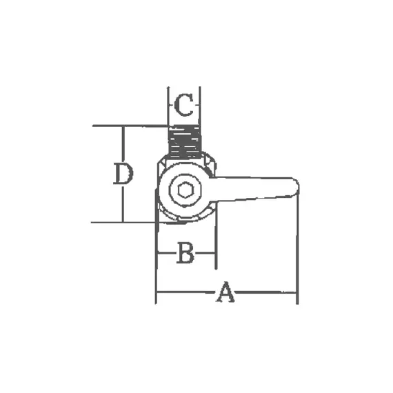
Designed to fit tubes with a diameter of 22-25 mm, this rail mount articulated base is constructed from durable nylon material. With a height of 70 mm, it accommodates a 1"-14 (25mm) thread for convenient installation.
A, mm
110
B, mm
44
C, mm
25
D, mm
70
Thread
1"x14
Brand
Marine Town
EAN
8052282026669
Dimensions in packaging
Weight, kg
0.14
Height, mm
55.0
Width, mm
85.0
Length, mm
110.0
Volume, cm3
0.51
Unit type
N
Additional Information
MPN
8401003
No reviews found
Please sign in so that we can notify you about a reply
