Pompe de barre franche arrière UP33R
Le prix indiqué est un prix NET, ce qui signifie que l'expédition et la TVA ne sont pas incluses. Des droits supplémentaires et des paiements de taxes peuvent être nécessaires. Les taxes et les frais de livraison sont calculés après la commande des marchandises et dépendent du type de client et de l'adresse de livraison.
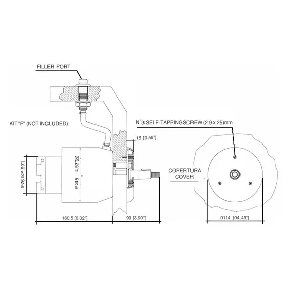
La pompe de barre arrière présente une structure compacte et utilise un système de piston axial pour un fonctionnement efficace. Elle est équipée d'une vanne anti-retour pour éviter la réversibilité et d'une vanne de protection contre les surpressions pour une sécurité accrue. La broche conique en acier inoxydable de 3/4" et le rotor en fonte améliorent sa longévité. De plus, elle offre un remplissage d'huile frontal pour plus de commodité. Une course de piston à roulement à billes contribue également à sa durabilité.
L'entretien est simplifié avec une vanne de verrouillage et un joint d'arbre facilement accessibles, permettant un remplacement simple. La pompe est livrée avec des raccords réglables à 90° conçus pour une compatibilité avec des tubes de 3/8", à l'exception des pompes UP39-I R et UP45-I R, qui sont équipées de raccords droits pour un tuyau de 12 mm. Elle est équipée d'un capuchon de moyeu blanc et pèse 5 kilogrammes pour une manipulation et une installation faciles.
Aucun avis trouvé
