Pêne de porte AISI 316 - 110x38mm
4848696
Nautical marketplace, yacht charter agency, equipment supplier, new yachts sales, brok...
+37253060890
poser une question
Contactez
Impôts
Le prix indiqué est un prix NET, ce qui signifie que l'expédition et la TVA ne sont pas incluses. Des droits supplémentaires et des paiements de taxes peuvent être nécessaires. Les taxes et les frais de livraison sont calculés après la commande des marchandises et dépendent du type de client et de l'adresse de livraison.
Livraison
Renvoie
Expédition depuisItaly
MarqueMarine Town
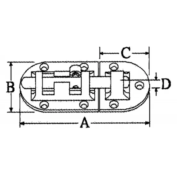
Fabriqué en acier inoxydable AISI 316, ce verrou de porte est doté d'une fonction anti-bruit.
Dimensions : A 110 mm, B 38 mm, C 36 mm, D 17 mm.
B, mm
38
C, mm
36
D, mm
17
Longueur, mm
110
EAN
8052282025822
Marque
Marine Town
Dimensions dans l'emballage
Poids, kg
0.17
Informations supplémentaires
MPN
8731446
Aucun avis trouvé
Veuillez vous connecter afin que nous puissions vous informer d'une réponse
